Magna Concursos
3951682 Ano: 2025
Disciplina: Engenharia Elétrica
Banca: Instituto Seletiva
Orgão: Câm. Angra Reis-RJ
Provas:
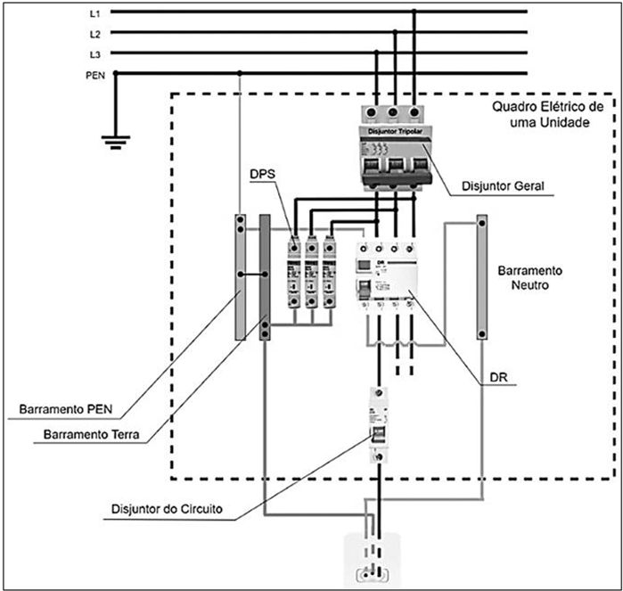
Considere o diagrama de força simplificado abaixo, que representa a entrada de energia e o quadro de medição de uma unidade consumidora em baixa tensão:
Enunciado 4890750-1
O esquema de aterramento implementado é classificado, conforme a ABNT NBR 5410, como
 

Provas

Questão presente nas seguintes provas