Caso 2
Com relação ao diagrama de potência mostrado na figura abaixo, responda às questões 32 e 33.

O diagrama de potência mostrado figura do caso 2 representa que tipo de ligação?
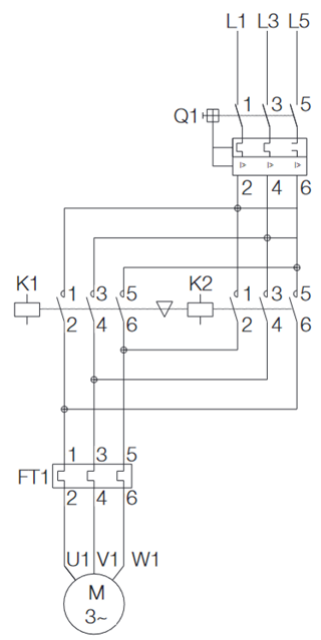
Caso 2
Com relação ao diagrama de potência mostrado na figura abaixo, responda às questões 32 e 33.

O diagrama de potência mostrado figura do caso 2 representa que tipo de ligação?