Magna Concursos
Questões
Planos
Entrar
Entrar
Criar Conta
Respondida
705539
Ano:
2012
Disciplina:
Engenharia Eletrônica
Banca:
UFES
Orgão:
UFES
Provas:
Técnico Industrial Laboratório
Provas
×
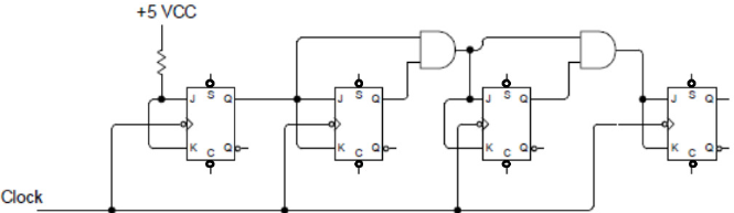
Contadores e registradores
Em relação ao circuito digital abaixo, suponha uma tecnologia TTL e ainda que as entradas “
S=set”
e “
C=clear”
de cada flip-flop só sejam ativas no nível lógico “0”. Portanto, é
CORRETO
dizer:
A
Trata-se de um contador decrescente, assíncrono, módulo 16, pois os flip-flops são disparados pela borda de descida.
B
Trata-se de um contador decrescente, síncrono, módulo 16, uma vez que os flip-flops são disparados pela borda de descida.
C
Trata-se de um contador crescente, síncrono, módulo 16.
D
Trata-se de um registrador de deslocamento assíncrono.
E
Trata-se de um registrador de deslocamento síncrono.
Resolver
Comentários
0
×
Cadernos
×
Flashcards
×
Estatísticas
×
Reportar um erro
×
Provas
Questão presente nas seguintes provas
Técnico Industrial Laboratório
60 Questões
Resolver Prova
Publicar
Responder
Qual o problema da questão?
Selecione uma opção
Questão Desatualizada
Questão Repetida
Gabarito Errado
Outros Motivos
Mensagem
Enviar
Acessar
Criar Conta
Acesse sua Conta
Google
Facebook
Esqueci minha senha
Acessar
Ainda não tem conta?
Crie uma
!
Crie uma Conta
Criar Conta
Olá, para continuar, precisamos criar uma conta!
É
rápido
e
grátis
.
Google
Facebook
Concordo com os
Termos de Uso
Criar
Já tem uma conta?
Acesse aqui