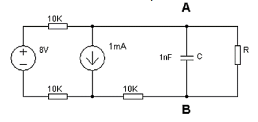
Considere o circuito apresentado a seguir. O resistor R (valor em Ω) é conectado entre os terminais ou nós A e B, para que ocorra a máxima transferência de potência a este.

Diante do exposto acima, assinale a alternativa que apresenta as cargas que o capacitor e o resistor R possuirão.