Magna Concursos
2778529 Ano: 2023
Disciplina: Engenharia Elétrica
Banca: FUNDATEC
Orgão: GHC
Provas:

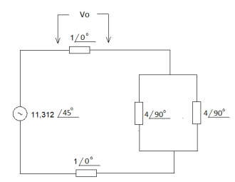
Determine a tensão Vo na forma retangular para o circuito apresentado na imagem a seguir:

Enunciado 2778529-1

 

Provas

Questão presente nas seguintes provas

Engenheiro Eletricista

50 Questões