3402044
Ano: 2024
Disciplina: Engenharia Eletrônica
Banca: COTEC
Orgão: Pref. Montes Claros-MG
Disciplina: Engenharia Eletrônica
Banca: COTEC
Orgão: Pref. Montes Claros-MG
Provas:
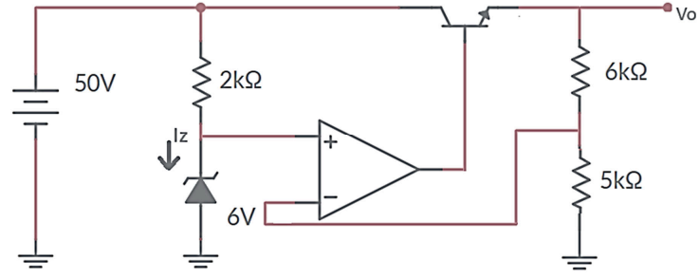
Para o circuito regulador de tensão linear a seguir, desconsiderando a queda de tensão (Vbe) no transistor, marque a alternativa que mostra, respectivamente, a sua tensão de saída (V0) e a corrente do diodo Zener (IZ):

Fonte: O autor, 2024.