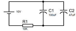
Analisando o circuito abaixo, a constante de tempo e a tensão através dos capacitores, após 500 ms do início de carga são, respectivamente,

Analisando o circuito abaixo, a constante de tempo e a tensão através dos capacitores, após 500 ms do início de carga são, respectivamente,
