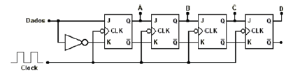
Analisando o circuito da fi gura, formado por 4 fl ip-fl ops e assumindo inicialmente as seguintes condições:
• as saídas A, B, C e D iniciam com nível lógico zero;
• a entrada indicada como “Dados” permanece o tempo todo em nível lógico “1”.
• a entrada indicada como “Dados” permanece o tempo todo em nível lógico “1”.
Qual a quantidade de pulsos de Clock que são necessários para que a saída C assuma nível lógico “1”?

Figura acima – Registrador de deslocamento