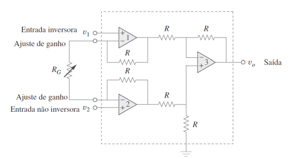
Um Amplificador de instrumentação com resistência externa para ajustar o ganho é
apresentado na Figura 3 a seguir: 
Figura 3
Considere que vo = 2,005 V, v2 = 2,013 e R = 8 kΩ. Se RG for ajustado para 250 Ω, os valores para o ganho de tensão (Av) e a tensão de saída (vo) são:

Figura 3
Considere que vo = 2,005 V, v2 = 2,013 e R = 8 kΩ. Se RG for ajustado para 250 Ω, os valores para o ganho de tensão (Av) e a tensão de saída (vo) são:
Provas
Questão presente nas seguintes provas