Magna Concursos
1089149 Ano: 2021
Disciplina: Engenharia Elétrica
Banca: AOCP
Orgão: SANESUL
Provas:

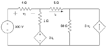
Para o circuito da seguinte figura, o valor do módulo da corrente sobre o resistor de 50 !$ \Omega !$ é de

Enunciado 3372963-1

 

Provas

Questão presente nas seguintes provas

Engenheiro Eletricista

70 Questões