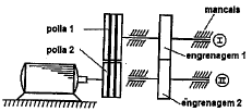
Observe a figura abaixo.

Considerando a transmissão da figura acima, a qual é acionada por um motor elétrico de potência P, é correto afirmar que:
Dados: !$ \eta_c: !$ rendimento da transmissão por correias;
!$ \eta_E: !$ rendimento da transmissão por engrenagens; e
!$ \eta_m: !$ rendimento do par de mancais.
Provas
Questão presente nas seguintes provas
Quadro Técnico de Praças da Armada - Mecânica
50 Questões