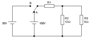
Na condição inicial, onde a chave do circuito encontra-se ligada no ponto A a potência dissipada no resistência R3 é 0,6 kW.

Ao mudar a chave para a posição B a potência, em watt, dissipada na resistência R3, passa a ser igual a
Na condição inicial, onde a chave do circuito encontra-se ligada no ponto A a potência dissipada no resistência R3 é 0,6 kW.

Ao mudar a chave para a posição B a potência, em watt, dissipada na resistência R3, passa a ser igual a