Magna Concursos
3317317 Ano: 2022
Disciplina: Arquitetura
Banca: SELECON
Orgão: LIMPURB-Cuiabá
Provas:

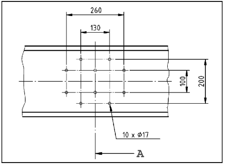
Observe-se a imagem a seguir.

-

Enunciado 3721919-1

-

Fonte: ABNT NBR 14611/2000, adaptado

Tendo como base a ABNT NBR 14611/2000, o elemento indicado pela letra Arepresenta a linha de:

 

Provas

Questão presente nas seguintes provas

Desenhista Projetista

60 Questões