Analise a figura a seguir.

Na figura, os elementos identificados pelas letras A, C, E e F são denominados, respectivamente, como
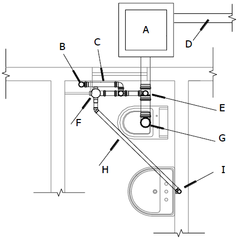
Analise a figura a seguir.

Na figura, os elementos identificados pelas letras A, C, E e F são denominados, respectivamente, como