Magna Concursos
2387634 Ano: 2009
Disciplina: Engenharia Eletrônica
Banca: Marinha
Orgão: Marinha

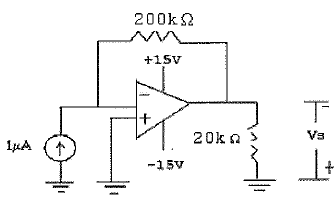
Observe o circuito abaixo.

Enunciado 3399140-1

Quanto vale a tensão de saída, Vs, da figura acima?

 

Provas

Questão presente nas seguintes provas

Corpo Auxiliar de Praças - Eletrônica

50 Questões