
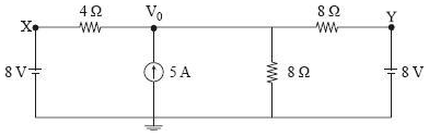
Considere que o circuito elétrico na figura acima seja alimentado
por fontes independentes de tensão e de corrente.
A partir dessas informações, julgue os itens a seguir.
Provas
Questão presente nas seguintes provas
Analista de Trânsito - Engenharia Elétrica
120 Questões