
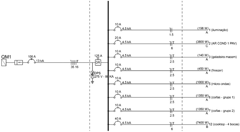
A Figura acima mostra parte do diagrama unifilar de uma instalação elétrica de um consumidor hipotético.
A análise desse diagrama permite a seguinte conclusão:

A Figura acima mostra parte do diagrama unifilar de uma instalação elétrica de um consumidor hipotético.
A análise desse diagrama permite a seguinte conclusão: