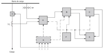
A figura abaixo mostra o esquemático de um sistema de proteção de média tensão.

Fonte: Adaptado de J. M. Filho e D. R. Mamede, Proteção de Sistemas Elétricos de Potência, 2o edição. LTC, 2020.
Assinale a alternativa que apresenta qual elemento indicado pela letra D.