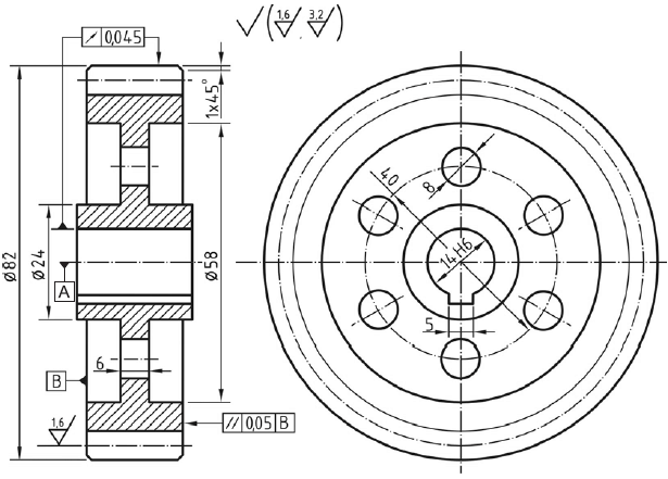
A figura apresenta o desenho de uma roda dentada. Na execução do desenho técnico, foram aplicadas normas que fornecem informações sobre tolerâncias geométricas, tolerâncias dimensionais e estado de superfície.

Com base nessas normas, considere as afirmações a seguir.
I - Todas as superfícies dos dentes da roda devem ter rugosidade Ra de 1,6 mm, segundo a NBR 8404:1984.
II - O batimento radial do diâmetro externo da roda não deve ser maior que 0,045 mm em qualquer plano, durante uma
rotação completa em torno da linha de centro de A, de acordo com a NBR 6409:1997.
rotação completa em torno da linha de centro de A, de acordo com a NBR 6409:1997.
III - A dimensão máxima do furo do cubo da roda dentada deve ser igual a 14,000 mm, segundo a NBR 6158:1995.
IV - A face oposta deve manter 0,05 mm de paralelismo, em relação à superfície de referência B, como tolerância de orientação, de acordo com a NBR 6409:1997.
São corretas as afirmações
Provas
Questão presente nas seguintes provas
Técnico - Inspeção de Equipamentos e Instalações
60 Questões