
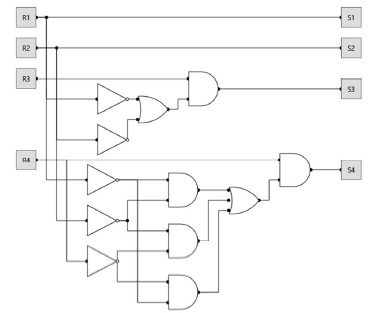
O circuito digital representado faz o controle de acionamento de uma central telefônica que possui quatro ramais. As entradas R1, R2, R3 e R4 significam que o respectivo ramal solicitou uma ligação à central. As saídas S1, S2, S3 e S4 indicam se a ligação foi completada pela central ou não. Considerando esse circuito e as informações apresentadas, julgue o item a seguir.
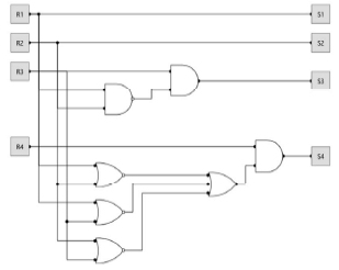
O circuito a seguir é equivalente ao circuito digital apresentado.

Provas
Questão presente nas seguintes provas
Especialista da Telebrás - Engenheiro Eletricista
120 Questões