- EletromagnetismoElétricaCircuitos Elétricos Especiais: Leis de Kirchhoff e Ponte de Wheatstone
- EletromagnetismoElétricaEletricidade
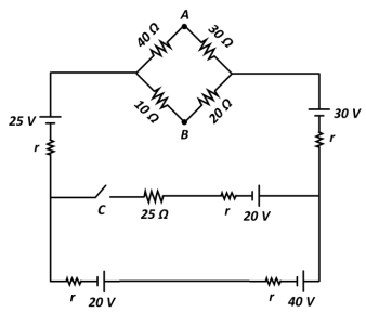
No circuito representado na figura abaixo, todas as resistências internas apresentam
um mesmo valor r. Inicialmente, com a chave C na posição aberta, a diferença de potencial entre os
pontos A e B é de 13 V.
Quando a chave C for fechada, qual será a nova diferença de potencial entre os pontos A e B?
Quando a chave C for fechada, qual será a nova diferença de potencial entre os pontos A e B?