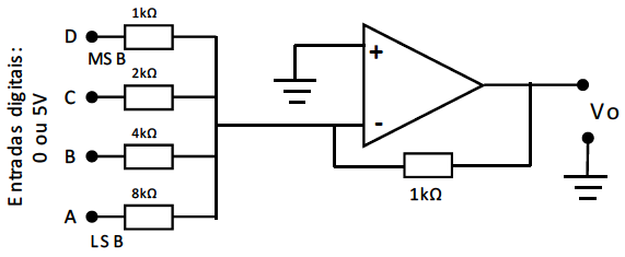
O circuito abaixo representa um conversor digital para analógico (D/A), no qual D é o bit mais significativo.

Para um código de entrada de 11002, a saída analógica será de:
O circuito abaixo representa um conversor digital para analógico (D/A), no qual D é o bit mais significativo.

Para um código de entrada de 11002, a saída analógica será de: