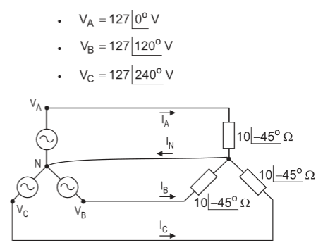
A figura mostra um sistema trifásico, com carga equilibrada, ligada em estrela, a quatro fios, no qual as tensões VA, VB e VC são equilibradas e dadas por

O valor, em módulo, da corrente de neutro (I N), em ampères, é de

O valor, em módulo, da corrente de neutro (I N), em ampères, é de