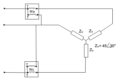
O circuito trifásico, 380 V, com sequência de fase ABC alimenta cargas equilibradas ligadas em estrela, conforme mostrado na figura abaixo.

As leituras nos wattímetros Wa e Wc são respectivamente:
O circuito trifásico, 380 V, com sequência de fase ABC alimenta cargas equilibradas ligadas em estrela, conforme mostrado na figura abaixo.

As leituras nos wattímetros Wa e Wc são respectivamente: