2632766
Ano: 2023
Disciplina: Engenharia Elétrica
Banca: FUNDATEC
Orgão: Pref. Farroupilha-RS
Disciplina: Engenharia Elétrica
Banca: FUNDATEC
Orgão: Pref. Farroupilha-RS
Provas:
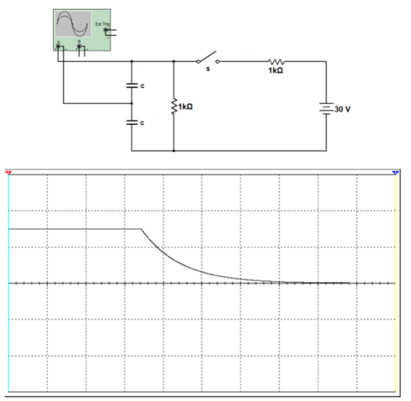
Sabendo que o circuito está com a chave S fechada por um longo tempo, determine o valor de C baseado na leitura do osciloscópio. O canal está configurado na escala de tensão em 5V/Div e na escala de tempo em 5ms/Div.
