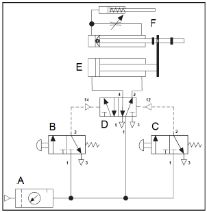
O diagrama abaixo representa, de maneira didática e técnica, um circuito de uma aplicação pneumática, aplicação esta que se vale da utilização de um equipamento de conversão hidráulica de velocidade / frenagem hidráulica, popularmente denominado como hydro-check (elemento F).

Baseado na figura acima, marque com (V) as afirmações que forem verdadeiras e com (F) as afirmações que forem falsas.
( ) O equipamento de frenagem hidráulica (elemento F) elimina trepidações e vibrações, além de compensar variações na força requerida para os atuadores pneumáticos lineares.
( ) O atuador E tem sua velocidade controlada durante toda a sua trajetória de avanço.
( ) Hydro-checks (elemento F) são utilizados para proporcionarem suavidade e precisão hidráulica a dispositivos e equipamentos pneumáticos.
( ) O elemento A é um conjunto denominado como LUBREFIL, composto por filtro de partículas sólidas, regulador de pressão, manômetro e filtro de água.
( ) O elemento D do é uma válvula direcional 5/2 vias pilotada manualmente.
Assinale a alternativa que apresenta a sequência CORRETA de cima para baixo.