Magna Concursos
2796299 Ano: 2023
Disciplina: Engenharia Eletrônica
Banca: FUNDATEC
Orgão: IFC

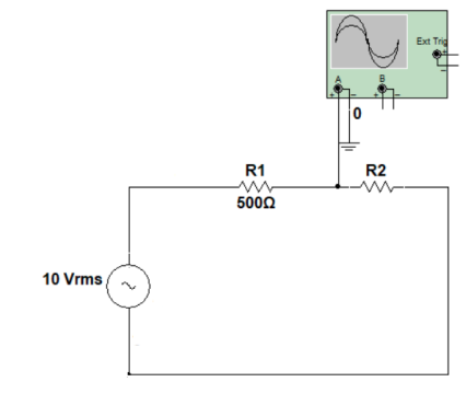
Com base na leitura do osciloscópio, determine o valor de R2 no circuito. Canal A está configurado para 5V/Div.

Enunciado 3578985-1

 

Provas

Questão presente nas seguintes provas

Técnico de Laboratório - Eletroeletrônica

60 Questões