No circuito abaixo, os diodos têm características ideais (Rf = 0 , Rr = !$ ∞ !$ e Vy = 0). Determine a tensão de saída (Vo) do circuito.

O valor determinado corresponde a
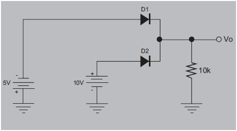
No circuito abaixo, os diodos têm características ideais (Rf = 0 , Rr = !$ ∞ !$ e Vy = 0). Determine a tensão de saída (Vo) do circuito.

O valor determinado corresponde a