Magna Concursos
Questões
Planos
Entrar
Entrar
Criar Conta
Respondida
2237366
Ano:
2015
Disciplina:
Engenharia Eletrônica
Banca:
UFMG
Orgão:
UFMG
Provas:
Técnico de Laboratório - Eletrônica
Provas
×
Circuitos de excitação senoidal, fasores em c.a., impedância e tensão eficaz
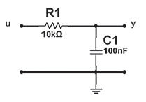
Em um circuito de filtro RC passa-baixas conforme ilustrado a seguir, é
INCORRETO
afirmar que
A
o ângulo de defasagem na frequência de corte
!$ f_º !$
é -45º.
B
a constante de tempo é τ =
!$ R_1C_1 !$
.
C
a resposta ao degrau unitário atinge 0.63V em t =
!$ R_1C_1 !$
.
D
a frequência de corte
!$ f_º !$
é obtida de
!$ R_1 !$
=
!$ 2πf_ºC_1 !$
.
Resolver
Comentários
0
×
Cadernos
×
Flashcards
×
Estatísticas
×
Reportar um erro
×
Provas
Questão presente nas seguintes provas
Técnico de Laboratório - Eletrônica
45 Questões
Resolver Prova
Publicar
Responder
Qual o problema da questão?
Selecione uma opção
Questão Desatualizada
Questão Repetida
Gabarito Errado
Outros Motivos
Mensagem
Enviar
Acessar
Criar Conta
Acesse sua Conta
Google
Facebook
Esqueci minha senha
Acessar
Ainda não tem conta?
Crie uma
!
Crie uma Conta
Criar Conta
Olá, para continuar, precisamos criar uma conta!
É
rápido
e
grátis
.
Google
Facebook
Concordo com os
Termos de Uso
Criar
Já tem uma conta?
Acesse aqui