Magna Concursos
1342845 Ano: 2016
Disciplina: Engenharia Eletrônica
Banca: UFMG
Orgão: UFMG
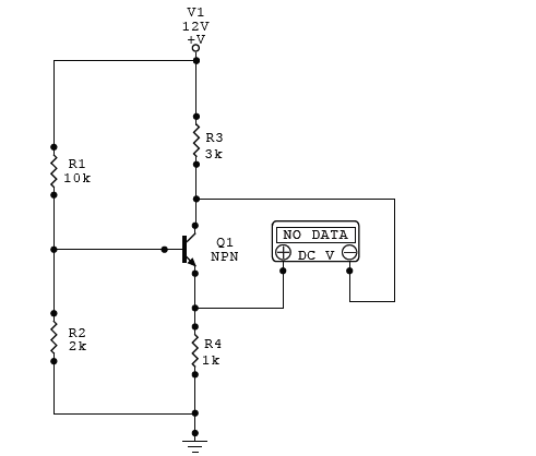
No circuito de polarização do transistor, admita que a corrente de base possa ser desprezada e o transistor opere na região ativa (transistor de pequeno sinal/baixa potência).
enunciado 1342845-1
O voltímetro, ligado como mostrado, indicará a medida:
 

Provas

Questão presente nas seguintes provas

Técnico de Laboratório - Eletrônica

45 Questões