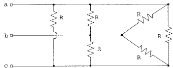
Observe a figura a seguir.

A figura acima representa duas cargas trifásicas equilibradas. Assinale a opção que corresponde à resistência estrela equivalente (Rel vista pelos terminais a, b e c do circuito representado nessa figura.
Provas
Questão presente nas seguintes provas