
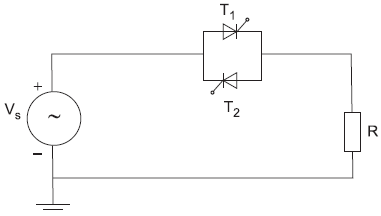
Considere a figura ao lado que mostra um circuito aplicado em eletrônica de potência e que alimenta uma carga resistiva R. Esse circuito é alimentado por uma tensão senoidal Vs e apresenta uma dupla de tiristores, T1 e T2, conectados em antiparalelo e que são disparados com um ângulo α. Essa configuração caracteriza um conversor que, dentre outras aplicações, é usado para controle da(o)