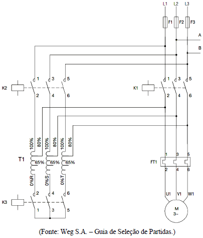
No circuito de comando abaixo, observa-se elementos de proteção para os componentes elétricos e um específico para o motor elétrico a ser acionado.

A partir da análise do circuito, assinale a afirmativa correta.
No circuito de comando abaixo, observa-se elementos de proteção para os componentes elétricos e um específico para o motor elétrico a ser acionado.

A partir da análise do circuito, assinale a afirmativa correta.