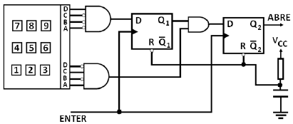
O circuito representado tem como função o acionamento de uma fechadura pela sequência de senhas digitadas a partir do teclado.

A fechadura é aberta quando Q2 é igual a 1. Para isso ocorrer, deve-se digitar o primeiro número, que é convertido em BCD, dar um pulso de clock na entrada ENTER e repetir o processo para o segundo número. O bit D)é o mais significativo (MSB) e o bit A o menos significativo (LSB). A sequência de dígitos que deve ser digitada para abrir a fechadura é