- Diodo na Engenharia Eletrônica
- Eletrônica Analógica na Engenharia Eletrônica
- Eletrônica de Potência na Engenharia Eletrônica
- Tiristor
- Transistores
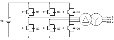
A figura abaixo mostra o bloco funcional de um inversor de 6 pulsos.

A base de funcionamento deste inversor fundamenta-se no chaveamento do

A base de funcionamento deste inversor fundamenta-se no chaveamento do
Provas
Questão presente nas seguintes provas