Observe a figura abaixo.

As indicações em desenhos para a fabricação de peças são inscritas em um quadrado retangular, dividido em duas ou três partes. conforme a figura acima. Assim, qual a ordem a ser seguida para a correta indicação em desenhos?
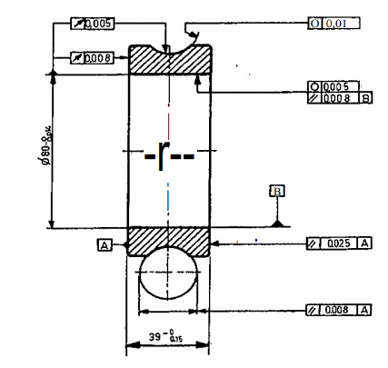
Observe a figura abaixo.

As indicações em desenhos para a fabricação de peças são inscritas em um quadrado retangular, dividido em duas ou três partes. conforme a figura acima. Assim, qual a ordem a ser seguida para a correta indicação em desenhos?