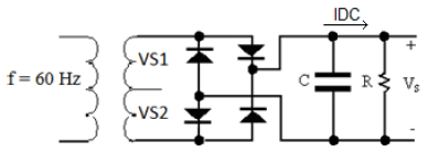
As fontes de alimentação estão presentes em quase todos os equipamentos eletrônicos. O circuito da Figura abaixo ilustra uma fonte de alimentação. As tensões VS1 e VS2 são iguais a 5Vrms e não possuem variações com a corrente de carga. Os diodos possuem uma queda de tensão de 0,7 V, quando polarizados diretamente, e o valor de C é 1000 !$ μ F !$. Adote !$ \sqrt 2 = 1,41. !$

Qual é o valor da tensão DC sobre o capacitor, sem a presença do resistor de carga R e qual é a redução da tensão máxima sobre o capacitor, com a inclusão de um resistor R, que consome uma corrente de 120 mA, respectivamente?