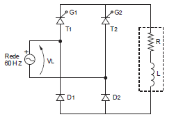
Considere o circuito abaixo.

Em relação ao funcionamento deste circuito, com carga altamente indutiva:
I. Durante todo o semiciclo positivo da tensão de alimentação, o SCR (T1), encontra-se diretamente polarizado.
II. Para o circuito entregar o máximo de potência à carga, os tiristores devem ser acionados simultaneamente a cada início de ciclo da tensão CA que alimenta o circuito.
III. Para variar a potência fornecida à carga, basta variar o ângulo de disparo dos SCRs.
IV. No instante em que o semiciclo positivo da tensão de alimentação cair para zero, a corrente na carga também cai para zero.
Está correto o que consta APENAS em