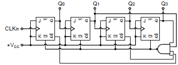
Sabendo-se que os Flip-Flops do circuito mostrado a seguir são sensíveis à borda de descida do pulso de clock:

Assinale a alternativa que define a sua principal função.
Sabendo-se que os Flip-Flops do circuito mostrado a seguir são sensíveis à borda de descida do pulso de clock:

Assinale a alternativa que define a sua principal função.