Magna Concursos
Questões
Planos
Entrar
Entrar
Criar Conta
Respondida
3691582
Ano:
2025
Disciplina:
Engenharia Elétrica
Banca:
FGV
Orgão:
MPU
Provas:
Analista Ministerial - Perícia/Engenharia Elétrica
Provas
×
Circuitos Elétricos
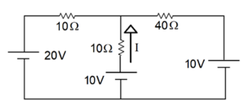
A figura abaixo apresenta um circuito composto por baterias e resistores:
A corrente elétrica I é igual a:
A
+ 5/9 A;
B
- 4/9 A;
C
+ 4/9 A;
D
+ 7/9 A;
E
- 7/9 A.
Resolver
Comentários
0
×
Cadernos
×
Flashcards
×
Estatísticas
×
Reportar um erro
×
Provas
Questão presente nas seguintes provas
Analista Ministerial - Perícia/Engenharia Elétrica
80 Questões
Resolver Prova
Publicar
Responder
Qual o problema da questão?
Selecione uma opção
Questão Desatualizada
Questão Repetida
Gabarito Errado
Outros Motivos
Mensagem
Enviar
Acessar
Criar Conta
Acesse sua Conta
Google
Facebook
Esqueci minha senha
Acessar
Ainda não tem conta?
Crie uma
!
Crie uma Conta
Criar Conta
Olá, para continuar, precisamos criar uma conta!
É
rápido
e
grátis
.
Google
Facebook
Concordo com os
Termos de Uso
Criar
Já tem uma conta?
Acesse aqui