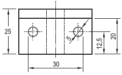
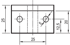
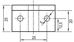
A NBR 10126:1987 fixa os princípios gerais de cotagem a serem aplicados em todos os desenhos técnicos. Das figuras abaixo, qual é aquela que apresenta com precisão a aplicação dos princípios dessa norma?
Provas
Questão presente nas seguintes provas
A NBR 10126:1987 fixa os princípios gerais de cotagem a serem aplicados em todos os desenhos técnicos. Das figuras abaixo, qual é aquela que apresenta com precisão a aplicação dos princípios dessa norma?