Analise o circuito apresentado a seguir.

Qual o valor de R1 que resulta na máxima transferência de potência a esse elemento, e o valor da máxima potência dissipada em R1, respectivamente?
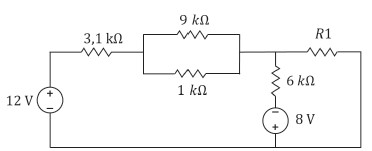
Analise o circuito apresentado a seguir.

Qual o valor de R1 que resulta na máxima transferência de potência a esse elemento, e o valor da máxima potência dissipada em R1, respectivamente?