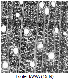
Considere a figura a seguir.

Em relação aos vasos presentes na figura, assinale a alternativa correta.
Provas
Questão presente nas seguintes provas
Técnico de Laboratório - Anatomia da Madeira
50 Questões
Considere a figura a seguir.

Em relação aos vasos presentes na figura, assinale a alternativa correta.