Magna Concursos
860376 Ano: 2016
Disciplina: Engenharia Química
Banca: FCC
Orgão: COPERGÁS-PE
Provas:
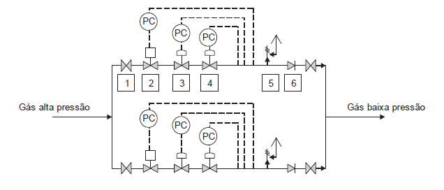
Um sistema de distribuição de gás natural se origina no Ponto de Entrega, conhecido também como City Gate, e por meio de tubulação o gás é entregue aos clientes. Ao longo da rede há estações de redução de pressão, instaladas de acordo com a demanda de cada região. Na ilustração abaixo, tem-se um exemplo de estação de redução de pressão. enunciado 860376-1 Os equipamentos que compõem esta estação, conforme a sequência numérica, são:
 

Provas

Questão presente nas seguintes provas

Engenheiro Mecânico

60 Questões