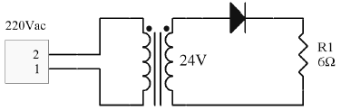
O retificador monofásico do circuito a seguir está ligado a uma carga resistiva de 6 Ω.

Sendo a tensão eficaz no secundário do transformador de 24 V, e considerando o diodo ideal, a tensão média no resistor R1 é de:
Provas
Questão presente nas seguintes provas
Professor PEBTT - Engenharia Elétrica/Área 22
40 Questões