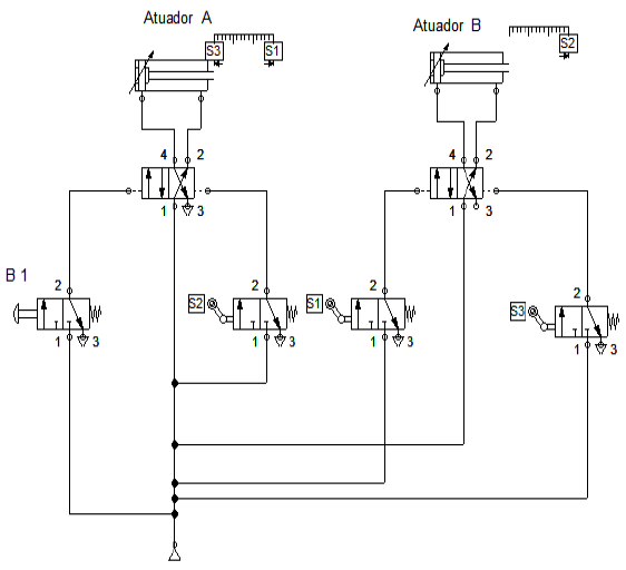
O circuito pneumático representado a seguir está programado para efetuar uma seqüência de funções avançando e/ou retornando os atuadores A e B. De acordo com o método passo-a-passo, determina a forma seqüencial CORRETA, ao ser acionada a botoeira B1.
