- Instalações ElétricasSubestações
- Transformadores e Máquinas ElétricasMáquinas EstáticasTransformador de Corrente
- Transformadores e Máquinas ElétricasMáquinas EstáticasTransformador de Potência
- Sistemas Elétricos de PotênciaDistribuição de Energia Elétrica
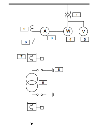
Analise a configuração de subestação apresentada na figura abaixo e assinale a alternativa
correta em relação a denominação de cada equipamento numerado de 1 a 9.

