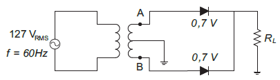
O retificador de onda completa abaixo apresenta uma tensão de pico VAB = 12 V no secundário do transformador.

Com as informações da figura acima, conclui-se que o valor e a frequência da tensão de pico na carga RL são, respectivamente,
O retificador de onda completa abaixo apresenta uma tensão de pico VAB = 12 V no secundário do transformador.

Com as informações da figura acima, conclui-se que o valor e a frequência da tensão de pico na carga RL são, respectivamente,