Magna Concursos
1511853 Ano: 2008
Disciplina: Serviços Gerais
Banca: CESPE / CEBRASPE
Orgão: Petrobrás
Provas:

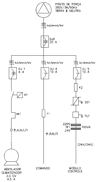
Enunciado 1511853-1

Com relação ao esquema mostrado acima, julgue os itens a seguir.

Todos os disjuntores empregados são trifásicos.

 

Provas

Questão presente nas seguintes provas

Técnico de Operação

120 Questões