Magna Concursos
Questões
Planos
Entrar
Entrar
Criar Conta
Respondida
1877888
Ano:
2018
Disciplina:
Engenharia Elétrica
Banca:
FUMARC
Orgão:
CEMIG
Provas:
Técnico em Telecomunicações
Provas
×
Circuitos Elétricos
Leis de Ohm e Kirchhoff
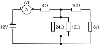
Considerando que a resistência do amperímetro A1 do circuito abaixo é nula, a corrente medida pelo mesmo é:
A
0,5 A
B
1,0 A
C
1,2 A
D
2,0 A
Resolver
Comentários
0
×
Cadernos
×
Flashcards
×
Estatísticas
×
Reportar um erro
×
Provas
Questão presente nas seguintes provas
Técnico em Telecomunicações
70 Questões
Resolver Prova
Publicar
Responder
Qual o problema da questão?
Selecione uma opção
Questão Desatualizada
Questão Repetida
Gabarito Errado
Outros Motivos
Mensagem
Enviar
Acessar
Criar Conta
Acesse sua Conta
Google
Facebook
Esqueci minha senha
Acessar
Ainda não tem conta?
Crie uma
!
Crie uma Conta
Criar Conta
Olá, para continuar, precisamos criar uma conta!
É
rápido
e
grátis
.
Google
Facebook
Concordo com os
Termos de Uso
Criar
Já tem uma conta?
Acesse aqui